DF341电容式液位传感器


DF341是基于电容的液位传感器,它的探头可以很容易地
修剪以适应不同容器高度。

该传感器设计用于测量液位,包括水、汽油和柴油等,但不适用于乙醇或甲醇。


特点

多信号输出

0-5V/4-20mA/RS232/RS485可选

精准度高

1mm或0.5%FS

无盲区

适用于短距离液位测量

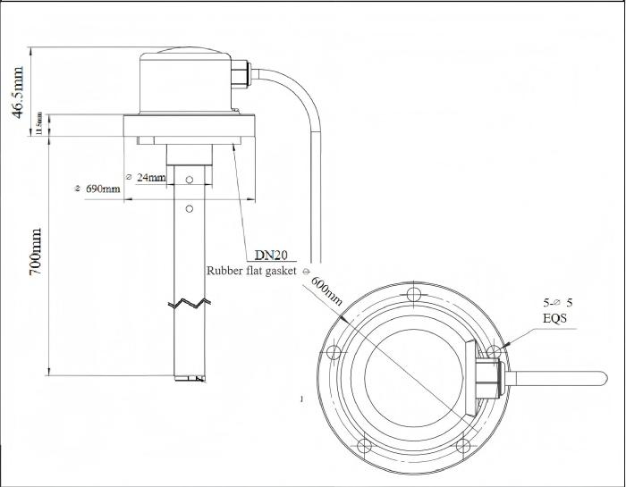
测量杆长度

最长700mm,可随心剪裁

规格


原理:电容
测量范围:100~700mm
液位精度:≤2%FS
电平分辨率:1mm或0.5%FS
温度精度:±5℃(校准后)
温度漂移:0.2%FS/℃
材料:外壳:ABS,管:铝合金
工作温度:-40℃至+85℃
防水等级:IP68
输出:0-5V,4-20mA,RS232,RS485
电源:12~24VDC
电流消耗:0-5V,RS232,RS485:≤22mA
-4-20mA:≤45mA
安装方式:法兰
校准:蓝牙

适用场景



安装